猪猪经验网
首页
美食营养
生活百科
知识问答
生活知识
返回
猪猪经验网
首页
美食营养
游戏数码
手工爱好
生活知识
生活百科
健康养生
运动户外
职场理财
情感交际
母婴教育
时尚美容
知识问答
更多知识
搜索
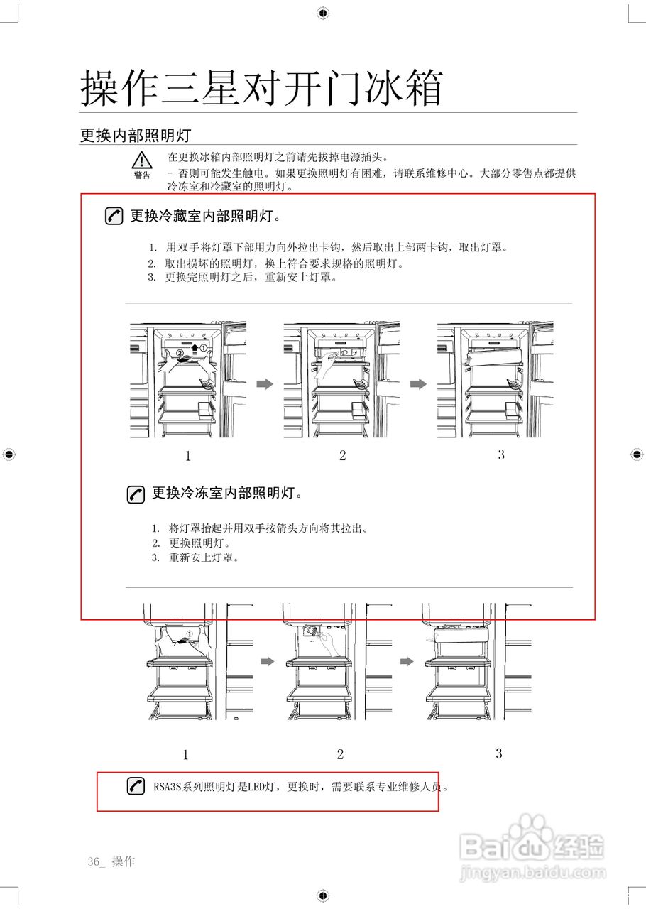
三星RSA3SHCR电冰箱使用说明书:[4]
2026-04-23 10:49:14
(共篇)
上一篇:
相关推荐
如何使用Multisim绘制BZV60-B51二极管?
阅读量:118
这几种多肉,生命力特别顽强,要是养不活算我输
阅读量:22
做包茎手术?
阅读量:81
宝宝出牙顺序和护理小知识
阅读量:103
正泰NZB6114微机线路保护测控装置使用说明书:[4]
阅读量:165
猜你喜欢
of是什么意思
一诺千金是什么意思
lf是什么意思
今年什么时候入伏
大满贯什么意思
什么笔记本好
共济会是什么
6月29日是什么星座
卢本伟是什么梗
4月27日是什么星座
猜你喜欢
三班倒是什么意思
wtf什么意思
to什么意思
ctc是什么意思
纳闷的近义词是什么
保险是什么
放臭屁是什么原因
云肖是什么生肖
上尉是什么级别
数控是什么